|
Беспроводные решения от ATMEL: завтрашние технологии, доступные сегодня
Корпорация ATMEL известна на российском рынке, в первую очередь, как производитель недорогих высокопроизводительных микроконтроллеров и микросхем памяти со всеми типами интерфейсов. Однако интересы этой компании распространяются также на рынок беспроводной связи. ATMEL предлагает свои компоненты в различных сегментах этого рынка - от микросхем для цифрового радиовещания и беспроводной телефонии до однокристальных приемопередатчиков, GPS-приемников, систем дистанционного измерения давления в шинах автомобилей и микросхем радиочастотной идентификации для диапазонов LF (125 кГц) и UHF (900 МГц). В рамках одной статьи невозможно охватить весь спектр радиочастотных компонентов производства корпорации ATMEL, поэтому ниже будут рассмотрены микросхемы, позиционируемые как семейство Smart RF.
ATMEL располагает несколькими дизайн-центрами, где разрабатываются радиочастотные микросхемы. Один из них находится в небольшом городе Хайльбронн (Heilbronn), на юге Германии.
На одной территории с дизайн-центром расположен завод, который производит существенную часть радиочастотной продукции ATMEL. На сегодняшний день у ATMEL есть технологии, позволяющие производить микросхемы для работы в диапазонах более 50 ГГц.
Сотрудники дизайн-центра производят самое благоприятное впечатление. Со многими из них автор статьи продолжительное время был знаком заочно, и было приятно пожать руку и лично обсудить текущие дела. Пример доброго гостеприимства проявил Оливер Дурм (Oliver Durm), (рис. 1) руководитель отдела разработки приемопередатчиков на диапазон 2,4 ГГц.
 Рис. 1
С Оливером мы имели продолжительный разговор о применении этих микросхем и особенностях разработки печатных плат с СВЧ-компонентами.
В семейство Smart RF входят микросхемы передатчиков, приемников и приемопередатчиков для диапазонов ISM (Industrial, Scientific, Medical), причем выпускаются микросхемы как для американских, так и для европейских диапазонов - 315, 345, 433, 868 МГц и 2,4 ГГц. Состав семейства представлен на рис. 2.
 Рис. 2
Для использования в России интересны микросхемы, работающие в диапазонах 433 МГц и 2,4 ГГц, поэтому основное внимание в статье уделяется именно этим компонентам.
Однокристальные передатчики
Микросхемы T5753/ 5754/ 5750 - это передатчики на диапазоны 315/434/868-915 МГц соответственно. Они питаются напряжением от 2,0 до 4,0 В, выходная мощность - до 8 дБм. Тип модуляции ASK/FSK (Amplitude Shift Keying/Frequency Shift Keying), скорость передачи - до 32 кбод. Микросхемы имеют очень хорошую изоляцию на кристалле между модулем ФАПЧ, модулем выходного усилителя мощности и цепями питания - это облегчает задачу проектирования печатной платы. Потребляемый ток в режиме передачи составляет 9 мА, в ждущем режиме - 350 нА. Микросхемы упакованы в 8-выводной корпус TSSOP. На рис. 3 представлена структурная схема микросхемы T5754.
 Рис. 3
Микросхема ATA5757 - это передатчик со скоростью передачи 20 кбод (манчестерский код) или 40 кбод (NRZ-кодирование) в 10-выводном корпусе MSOP. Рабочий диапазон частот этой микросхемы составляет от 432 до 438 МГц, выходная мощность - 6 дБм, типовой потребляемый ток в активном режиме - 8,5 мА. Напряжение питания - от 2,0 до 3,6 В. Поддерживается как амплитудная, так и частотная модуляция. Микросхема характеризуется малым временем выхода на рабочий режим кварцевого генератора - не более 0,6 мс, что ощутимо снижает среднюю потребляемую мощность. Для этой микросхемы выпущен стартовый набор Transmitter Application Board ATAB5756/57 с антенной, выполненной на печатной плате. Внешний вид платы показан на рис. 4.
 Рис. 4
Для задач, где требуется компактное решение, удобно использовать микросхему AT86RF401 - радиопередатчик с AVR-микроконтроллером на кристалле, выходная мощность которого составляет +6 дБм, скорость передачи - до 10 кбод, тип модуляции - OOK (On-Off-keying). Полная схема передатчика содержит минимальное количество компонентов - помимо собственно передатчика AT86RF401 на плате нужно установить кварцевый резонатор на 18,08 МГц, три конденсатора и дроссель для работы узла ФАПЧ. Антенна выполняется на плате печатным способом. Питается передатчик от одной литиевой батареи. Микросхема AT86RF401 потребляет в спящем режиме менее 100 нА, поэтому выключатель питания не требуется. Для этой микросхемы предлагается два стартовых набора - AT86RF401E-EK1, содержащий плату передатчика и компакт-диск с примерами программирования, а также набор ATAK4015744, в который помимо передатчика входит плата приемника на микросхеме T5744, которую можно использовать в качестве образца разводки при разработке собственной платы.
Однокристальные приемники
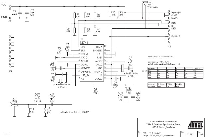
Широко распространены микросхемы T5743 и T5744. Обе микросхемы работают в диапазоне 300-450 МГц и питаются от источника напряжения 4,5-5,5 В. Типы корпусов: T5743 - SOIC20, T5744 - SOIC20 и SSO20. Микросхемы
отличаются тем, что T5743 поддерживает модуляцию ASK и FSK, (чувствительность, соответственно, -110 и -104 дБм), а более дешевая T5744 - только модуляцию ASK (чувствительность -110 дБм). Кроме того, микросхема T5743 может работать с высоковольтным интерфейсом (до 20 В), а поскольку ее выход организован как каскад с открытым стоком, для нее требуется внешний нагрузочный резистор.
Микросхемы разработаны для применения в автомобильной промышленности, поэтому они могут эксплуатироваться в диапазоне температур до -40 до +105 °С, а также имеют встроенные цепи защиты от статического разряда до 10 кВ в соответствии со стандартом MIL-STD-883. Скорость информационного потока - 10 кбод. Микросхема имеет сигнал RSSI (Received Signal Strength Indication) для оценки уровня принимаемого сигнала. Выход сигнала RSSI - аналоговый. Микросхемы имеют специальный вывод MODE для переключения рабочего диапазона.
Во входном каскаде микросхем можно применить фильтр на поверхностных акустических волнах (SAW-filter). Пример использования микросхемы T5744 без ПАВ-фильтра приведен на рис. 5, а вариант с ПАВ-фильтром приведен на рис. 6.
 Рис. 5
 Рис. 6
Применение фильтра незначительно (на 1-2 дБ) снижает чувствительность приемника.
На микросхемах AT86RF401 и T5744 можно построить недорогой двухкристальный приемопередатчик.
Однокристальные приемопередатчики
Обзор однокристальных приемопередатчиков (трансиверов) логично начать с микросхемы AT86RF211, выпускаемой по BiCMOS-тех-нологии, поддерживающей модуляцию FSK и упакованной в корпус TQFP48. Эта микросхема содержит на кристалле модуль приемника, модуль передатчика, модуль модулятора-демодулятора и модуль синтезатора частоты, причем шаг установки частоты составляет 200 Гц. Микросхема может работать в однока-нальном и многоканальном режимах (single channel, multiple channel, FHSS). К недостаткам микросхемы можно отнести повышенную потребляемую мощность.
В 2005 году начат выпуск модификации этой микросхемы - AT86RF211S. Структурная схема этой микросхемы показана на рис. 7.
 Рис. 7
Новая микросхема выпущена в корпусе, совместимом с AT86RF211, устанавливается на то же самое посадочное место и также питается от источника напряжения 2,4-3,6 В. Микросхема AT86RF211S имеет существенно улучшенные технические характеристики, в частности, выходная мощность повышена до +16 дБм, что обеспечивает связь на расстоянии более 1 км, а потребляемый ток уменьшен на 20% и составляет 35 мА в режиме передачи. Ток покоя в ждущем режиме не превышает 500 нА. Скорость передачи увеличена до 100 кбод. Еще одно усовершенствование - добавлен выход тактовой частоты, что позволяет отказаться от отдельного кварца для микроконтроллера. При подаче питания микросхема AT86RF211S работает в режиме совместимости с AT86RF211, а новые характеристики активизируются программно, установкой бита ADDFEAT. На рис. 8 показана плата на базе трансивера AT86RF211S - AT86RF211-433LT.
 Рис. 8
В 2004 году инженеры из Хайльбронна разработали новое семейство микросхем-трансиверов. Это ATA54xx и ATA58xx. Выбор типа модуляции (ASK или FSK) производится программно. Диапазон напряжений питания - 2,4-3,6 В или 4,4-6,6 В. Тип корпуса- QFN48 (7x7 мм). Микросхемы отличаются рабочим температурным диапазоном: серия ATA54xx функционирует в промышленном диапазоне (-40...+85 °С) а серия ATA58xx - в "автомобильном" диапазоне (-40...+105 °С). Технические характеристики микросхем аналогичны. Микросхемы имеют уникальное сочетание параметров: потребляемый ток (прием и передача) при выходной мощности +5 дБм не превышает 10,5 мА! Микросхемы на диапазон 433 МГц называются соответственно ATA5428 и ATA5812. Далее будет расматриваться микросхема ATA5428. Блок-схема микросхемы ATA542x приведена на рис. 9.
 Рис. 9
Скорость передачи составляет 1-20 кбод в режиме FSK-модуляции (манчестерский код) и 1-20 кбод в режиме ASK-модуляции (манчестерский код). В режиме FSK-модуляции в микросхеме используется дробный умножитель частоты с широкополосной ФАПЧ. Режим работы - полудуплекс, переключатель "прием - передача" размещен на кристалле, поэтому для работы приемника и передатчика используется одна антенна. Выходная мощность передатчика задается внешним резистором в диапазоне от 0 до +10 дБм. Параметры чувствительности приведены в таблице.
Таблица
| Тип модуляции |
Чувствительность, дБм (скорость 20 кбод) |
Чувствительность, дБм (скорость 10 кбод) |
Чувствительность, дБм (скорость 2,4 кбод) |
| FSK |
-106 |
- |
-109,5 |
| ASK |
- |
-112 |
-116,5 |
Для связи с микроконтроллером используется интерфейс SPI, скорость обмена - до 500 кГц. Трансивер имеет выход, на который выводится частота, используемая для тактирования управляющего микроконтроллера. Типовая схема подключения к микроконтроллеру приведена на рис. 10.
 Рис. 10
Для изучения работы микросхем ATA54xx и ATA58xx предлагается демонстрационная плата ATAB5811/12-D. Внешний вид платы представлен на рис. 11.
 Рис. 11
В комплект поставки платы входит программное обеспечение, Программа позволяет в визуальном режиме провести инициализацию микросхемы и посмотреть содержимое ее регистров. Главное окно программы показано на рис. 12.
 Рис. 12
Все большее внимание разработчиков электронной техники привлекает диапазон частот 2,4 ГГц. Несмотря на то, что этом диапазоне работают устройства Wi-Fi, Bluetooth и WiMAX, остается достаточно большая ниша для устройств, не использующих вышеуказанные протоколы. В частности, вышеперечисленные протоколы являются избыточными как по скорости передачи, так и по потребляемой мощности для задач, где требуется передача относительно низкоскоростных потоков данных. В качестве примеров можно привести интерфейс беспроводой консоли или беспроводную передачу звука на громкоговорители в домашнем кинотеатре - иными словами, простую замену проводного соединения. В таких задачах не требуется выполнение какого-либо стандартного протокола, а следовательно, можно снизить трафик и уменьшить потребляемую мощность, что важно для устройств с батарейным питанием. ATMEL предлагает для этого диапазона микросхемы серии ATR24xx, представленные на рис. 13.
 Рис. 13
Микросхема ATR2406 уже выпускается серийно, поэтому остановимся подробнее на ней. Это многоканальный трансивер (95 каналов) с поддержкой режимов скачкообразного переключения частоты (Frequency Hopping, ETSI) и цифровой модуляцией (Digital Modulation, FCC). Чувствительность приемника -93 дБм, мощность передатчика +4 дБм, что позволяет передавать данные на расстояние до 70 метров. На кристалле есть управляющие цепи для подключения внешнего усилителя мощности ATR7032, повышающего уровень выходной мощности до +23 дБм. Микросхема упакована в малогабаритный корпус QFN32 размерами 5x5x0,9 мм. К преимуществам трансивера ATR2406 можно отнести высокую скорость передачи - до 1152 кбит/с, что в сочетании с пакетным режимом приема-передачи позволяет существенно снизить среднюю потребляемую мощность устройства. Для работы с микросхемой ATR2406 предлагается стартовый набор ATR2406-DEV-BOARD и образцовая плата (Reference Design) Evaluation-Kit RF + AVR. Размер платы ATR2406-DEV-BOARD составляет 44x25 мм, внешний вид представлен на рис. 14.
 Рис. 14
Плата может работать с печатной антенной, выполненной непосредственно на печатной плате, либо со стандартной штыревой антенной на диапазон 2,4 ГГц. Во втором случае на плату надо распаять коаксиальный разъем и перепаять резистор-перемычку, с помошью которого выбирается тип антенны. Плата допускает интересную возможность: можно обрезать ее по контуру, образованному тремя рядами переходных отверстий, и получившуюся мини-плату размерами 20х 15 мм использовать как готовый модуль приемо-передатчика.
Образцовая плата (Reference Design) Evaluation-Kit RF + AVR, в отличие от ATR2406-DEV-BOARD, включает AVR-контроллер ATmega88 в корпусе QFN32 и цифробуквенный жидкокристаллический индикатор (рис. 15).
 Рис. 15
С платой поставляются примеры программ для AVR-микроконтроллера, иллюстрирующие процедуру управления трансивером и ЖКИ. Микроконтроллер можно перепрограмировать непосредственно на плате через интерфейс SPI, а с помощью интерфейса DebugWire можно производить аппаратную отладку платы стандартным эмулятором JTAGICE2.
Николай Королев
|