|
Надежность стального капкана — энергонезависимая память Simtek
О компонентах памяти написано достаточно много (и даже более). Но прогресс не стоит на месте, в том числе и память. Поэтому, учитывая современные тенденции развития информационных технологий, рассмотрим память для мобильных систем, одними из важнейших параметров которой являются надежность и быстродействие.
Надежность любой микросхемы памяти — способность сохранять данные, причем не только в рабочем режиме, но и в критических ситуациях (броски питания, шумы и т.п.). Существенную роль в этом играет также технология производства (об этом чуть ниже). Очевидно, что максимальную надежность может дать только энергонезависимая память. Выбрав из энергонезависимой памяти самую быструю, получим то, что необходимо. Но это решение "в лоб" не всегда дает необходимый результат. К этому следует добавить стоимость, организацию записи и чтения и т.д.
Сейчас выбор ИС энергонезависимой памяти достаточно широк: nvSRAM со встроенной батареей (Dallas Semiconductor), flash (Intel, AMD), EEPROM (Atmel, ST), FRAM (Ramtron), nvSRAM (Simtek). Каждый тип памяти имеет свои достоинства, но и свои недостатки. Например, в некоторых электронных изделиях нельзя применять память со встроенным источником питания, поблочная запись данных во flash ограничивает быстродействие (и, соответственно, степень надежности сохранности данных). Технология плавающего затвора, на основе которой изготавливаются flash и EEPROM, также налагает ограничения на надежность. Использование FRAM ограничено скоростью записи и ценой. Для наглядности можно обратиться к таблице 1, где приведены все виды памяти.
Таблица 1. Сравнительные характеристики памяти
| |
ROM |
PROM |
EPROM |
Flash |
EEPROM |
DRAM |
SRAM |
FRAM |
nvSRAM |
| Энергонезависимость |
+ |
+ |
+ |
+ |
+ |
|
|
+ |
+ |
| Неограниченный срок службы |
|
|
|
|
|
+ |
+ |
|
+ |
| Произвольный доступ |
|
|
|
|
|
+ |
+ |
+ |
+ |
| Необходимость регенерации |
|
|
|
|
|
+ |
|
|
|
| Запись менее 35 нс |
|
|
|
|
|
+ |
+ |
|
+ |
| Чтение мениее 35 нс |
|
|
|
|
|
+ |
+ |
|
+ |
| Возможность перепрограммирования в системе |
|
|
|
+ |
+ |
+ |
+ |
+ |
+ |
| Побайтное программирование |
|
|
|
|
+ |
+ |
+ |
+ |
+ |
В энергонезависимой памяти nvSRAM (Simtek) (в дальнейшем — просто nvSRAM) устранены все (или почти все) проблемы, свойственные другим типам памяти, в том числе и на технологическом уровне. Главное достоинство nvSRAM — высочайшая надежность (рекламное сравнение с надежностью стального капкана вполне оправдано), которая достигнута, с одной стороны, за счет схемотехнического решения, и, с другой стороны, — применением технологии QuantumTrap™ ("квантовый капкан").
Технология Quantum Trap™ используется при формировании элементов EEPROM вместо технологии плавающего затвора и является важным фактором, определяющим высокую надежность nvSRAM.
Технология плавающего затвора — основа производства flash-памяти и традиционных EEPROM. Общим для всех вариантов этой технологии является перенос заряда через оксидный слой на проводящий плавающий затвор, где и происходит его запоминание. Относительно большие локальные токи или электрические поля, используемые при стирании/программировании, приводят к деградации оксидного слоя. Это приводит, в зависимости от варианта технологии, или к "залипанию" битов в состоянии "1" или — утечке электронов с плавающего затвора на подложку через деградировавший слой оксида.
Эти проблемы устранены в технологии QuantumTrap™, где для хранения заряда применяются значительно меньшие токи и электрические поля. Такое стало возможно благодаря очень тонкому слою окисла для накачки заряда и изолирующему слою для хранения заряда. Как следствие, в приборах на базе технологии QuantumTrap™ нет утечки электронов на подложку. Пробой слоя оксида в таком приборе приведет только к небольшой локальной утечке.
Что такое nvSRAM?
Это высокоскоростная энергонезависимая память с произвольным доступом (по ГОСТУ — запоминающее устройство с произвольной выборкой ЗУПВ), созданная на основе стандартной SRAM, в которую интегрированы элементы EEPROM, выполненные по технологии QuantumTrap™. Реально nvSRAM работает как две независимые памяти — SRAM и EEPROM. Статическая память идентична обычному ЗУПВ, а параллельный доступ к EEPROM возможен только через SRAM (структурная блок-схема — на рис. 1).
 Рис. 1. Блок-схема NV SRAM STK14C88-3
Таблица 2. Семейство энергонезависимой памяти STK
| Организация памяти |
Вид сохранения данных |
Число выводов |
Корпус |
Обозначение |
| 512x8 |
Аппаратное |
28 |
W |
STK20C04 |
| 2 Kx8 |
Аппаратное |
28 |
N,P,S |
STK10C48 |
| 2 Kx8 |
Программное |
28 |
N,P,S |
STK11C48 |
| 2 Kx8 |
AutoStore |
28 |
N,P,S,W |
STK22C48 |
| 2 Kx8 |
AutoStore |
28 |
W |
STK25C48 |
| 8 Kx8 |
Аппаратное |
28 |
C,L,P,S |
STK10C68 |
| 8 Kx8 |
Программное |
28 |
C,L,P,S |
STK11C68 |
| 8 Kx8 |
AutoStore |
28 |
C,L,P,S,W |
STK12C68 |
| 8 Kx8 |
AutoStore |
28 |
P,S,W |
STK15C68 |
| 8 Kx8 |
AutoStorePlus |
28 |
W |
STK16C68 |
| 32 Kx8 |
Программное |
28 |
N,P,S,W |
STK11C88 |
| 32 Kx8 |
AutoStore |
32 |
C,L,N,W |
STK14C88 |
| 32 Kx8 |
AutoStore |
28 |
N,P,S,W |
STK15C88 |
| 32 Kx8 |
AutoStore |
28 |
W |
STK16C88 |
| 128 Kx8 |
AutoStore |
32 |
D |
STK25CA8 |
- C=керамический DIP (300 мил);
- P=пластиковый DIP (300 мил);
- D=SOIC (350 мил);
- S=SOIC (350 мил);
- L=LLC; N=SOIC (300 мил);
- W=пластиковый DIP (600 мил).
При включении питания автоматически запускается режим восстановления данных RECALL, при котором все данные передаются из EEPROM в статическую память при достижении напряжения питания определенного уровня. Запись и чтение SRAM никак не затрагивают содержимое EEPROM (отличное ПЗУ с перезаписью!). Восстановление данных из EEPROM в SRAM можно инициировать и по команде. Максимальное время параллельной передачи всех данных из EEPROM в статическую память не превышает 20 мкс.
При сохранении данных (режим STORE) данные передаются из SRAM в EEPROM. Режим STORE может быть реализован (в зависимости от вида ИС, см. таблицу 2) автоматически (при пропадании питания), программным путем или аппаратным способом. Чтобы сохранить все данные (из SRAM в EEPROM) требуется всего 10 мс.
В некоторых приборах реализована функция AutoStore™, при которой сохранение данных происходит в фоновом режиме при падении напряжения питания. В ИС семейств STK15Схх и STK25Схх для выполнения режима AutoStore™ используется системный конденсатор. В тех случаях, когда скорость падения напряжения питания велика или неопределенна, в семействах STK12Схх, STK14Схх и STK22Схх необходим внешний конденсатор небольшой емкости для гарантированного сохранения данных. В серии STK16Схх AutoStorePlus во внешнем конденсаторе нет необходимости — он уже встроен в ИС.
Программное сохранение данных (STORE) и восстановление данных (RECALL) реализуется чтением последовательности из шести определенных адресов, тактируемых сигналом с вывода доступа кристалла. Эти функции могут быть использованы для хранения определенного кода и данных или программного перезапуска системы после записи в SRAM. Режимы программных STORE и RECALL имеются в STK11Схх и в большинстве приборов с функцией AutoStore.
Аппаратное сохранение данных реализовано в семействах STK10Схх, STK12Схх, STK14Схх.
Архитектура nvSRAM
Как уже отмечалось выше, она идентична асинхронной статической памяти с произвольной выборкой (рис. 1). При обычном режиме работы нет никаких различий между статической памятью и nvSRAM. Различие появляется при передаче данных из матрицы SRAM в матрицу EEPROM (режим STORE) и обратно (RECALL). Реально, две матрицы физически объединены в одну.
При подаче питания аналоговая схема управления питанием Power Control отслеживает уровень питания и запускает автоматический самосинхронизирующийся режим восстановления данных RECALL. Данные, таким образом, сразу доступны пользователю. Программное восстановление данных реализуется схемой Software Detect на основе ПЛМ, которая постоянно проверяет адреса, тактируемые сигналом на выводе Е. Когда определяется заданная последовательность адресов, то статическая память изолируется от системы, данные в ней стираются и записываются данные из EEPROM. Массив данных объемом 256К переносится из EEPROM в SRAM за 20 мкс (пропускная способность – 13 Гбит/с).
Режим STORE запускается схемой управления питанием Power Control при сбое питания (параллельная передача данных со скоростью 26 Мбит/с) или схемой Software Detect при определенной последовательности адресов.
Восстановление дефектных битов с помощью встроенной схемы резервирования позволяет увеличить выход годных кристаллов.
Основное отличие энергонезависимой памяти Simtek от других энергонезависимых элементов памяти заключается в том, что высоковольтная часть схемы ограничена только блоком управления STORE/RECALL Control c одним ключом. Этот единственный высоковольтный узел – шина из поликремния второго уровня, которая подключается к транзисторам, обеспечивающим энергонезависимый режим. Никакие другие транзисторы матрицы памяти к высокому напряжению не подключены, что никак не отражается на работе стандартных элементов nvSRAM. Результатом такой архитектуры является дополнительная надежность всей памяти в целом, а ограниченное число высоковольтных элементов привлекательно с точки зрения экономии места на кристалле. Существующую схему памяти не потребуется перерабатывать при внедрении технологии Simtek.
В качестве примера рассмотрим микросхему STK14C88. Память STK14C88-3 – быстрое статическое ОЗУ 32Кх8 с энергонезависимым элементом в каждой ячейке памяти (блок-схема приведена на рис. 1). Количество циклов чтения/записи неограниченно, при этом данные в энергонезависимых элементах сохраняются достаточно долго (100 лет).
STK14C88-3 работает в двух различных режимах: режиме памяти и энергонезависимом режиме. В режиме памяти микросхема функционирует как обычное быстродействующее статическое ОЗУ. В энергонезависимом режиме данные передаются из памяти в энергонезависимые элементы (режим хранения STORE) или из энергонезависимых элементов в память (режим восстановления RECALL). При этом все функции памяти заблокированы.
Устранение помех. Поскольку STK14C88-3 является быстродействующей памятью, то для надежной работы необходим ВЧ-конденсатор порядка 0,1 мкФ между Vcap и Vss, причем выводы конденсатора и дорожки печати должны быть максимально короткими. Требования к разводке питания, «земли», и сигналов те же, что и для всех быстрых КМОП ИС.
Чтение памяти. Цикл чтения READ для STK выполняется, когда на E и G низкий уровень, а на W и HSB – высокий. Доступ к конкретному байту данных из 32768 определяется адресом на выводах А0-14. Если чтение инициализируется адресным переходом (цикл чтения READ#1, рис. 2), то действительное значение появится на выходе через tAVQV. При инициализации чтения E или G (цикл чтения READ#2, рис. 3), данные появятся на выходе с задержкой tELQV или tGLQV (с большей задержкой из двух). Состояние на выходе будет сохраняться до тех пор, пока не произойдет изменение адреса или на выводах E или G не установится высокий уровень или на W или HSB – низкий.
 Рис. 2. Временная диаграмма записи данных READ#2
 Рис. 3. Временная диаграмма записи данных READ#2
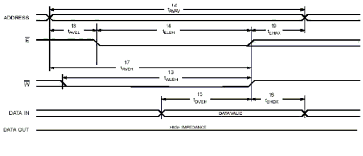
Запись в память. Если на E и W низкий уровень, а на HSB – высокий, то при этих условиях выполняется запись данных в память (WRITE). Адрес должен быть установлен до начала и оставаться неизменным до конца цикла записи или пока на E или W не установиться высокий уровень. Данные на выводах входа/выхода DQ0-7 будут записаны в память при условии, что они остаются неизменными на этих выводах tDVWH (если запись управляется W, рис.4) или tDVEH (для управления по E, рис.5).
 Рис. 4. Временная диаграмма записи данных (управление по W)
 Рис. 5. Временная диаграмма записи данных (управление по Е)
Чтобы на шине данных не возникало эффекта «состязания», рекомендуется удерживать на выводе G высокий уровень во время записи. Если на G будет низкий уровень, то встроенная схема отключит выходные буферы через tWLQZ после перехода W в низкий уровень (со всеми вытекающими отсюда последствиями).
 Рис. 6. Временная диаграмма программной записи/восстановления данных в энергонезависимую память
Программная запись в энергонезависимую память STORE
Кроме автоматической записи данных в энергонезависимую память при сбое питания, в STK14C88-3 предусмотрена возможность программной записи данных (STORE) (в любой момент времени) при помощи шести циклов чтения из специальных адресных ячеек (временная диаграмма на рис.6). Во время этой записи в первую очередь стираются данные предыдущей записи, а затем выполняется программа копирования данных из ОЗУ в энергонезависимую память. При инициализации программной записи операции ввода/вывода запрещаются до окончания цикла. Поскольку при инициализации STORE используется последовательность операций чтения специальных адресов, то важно, чтобы никакие другие операции чтения или записи не вклинились в этот процесс. В противном случае программная запись данных в энергонезависимую память не состоится. Последовательность команд чтения для запуска STORE приведена в таблице 3.
Как только считывается шестой адрес этой последовательности, внешний доступ к ИС блокируется и происходит сохранение данных. Важным моментом такого сохранения данных является использование только операций чтения (какая-либо запись при этом отсутствует, требуется лишь удержание низкого уровня на G). Программный цикл записи завершается через tSTORE, после чего оперативная память снова готова к записи и чтению.
Программное восстановление данных из энергонезависимой памяти RECALL аналогично программной записи: для инициализации выполняется чтение определенных адресов (таблица 4).
Таблица 3. Инициализация программной записи данных
| № |
Считываемый адрес |
Действие |
| 1 |
0E38 (hex) |
Чтение адреса |
| 2 |
31C7 (hex) |
Чтение адреса |
| 3 |
03E0 (hex) |
Чтение адреса |
| 4 |
3C1F (hex) |
Чтение адреса |
| 5 |
303F (hex) |
Чтение адреса |
| 6 |
0FC0 (hex) |
Запуск STORE |
Таблица 4. Инициализация программного восстановления данных
| № |
Считываемый адрес |
Действие |
| 1 |
0E38 (hex) |
Чтение адреса |
| 2 |
31C7 (hex) |
Чтение адреса |
| 3 |
03E0 (hex) |
Чтение адреса |
| 4 |
3C1F (hex) |
Чтение адреса |
| 5 |
303F (hex) |
Чтение адреса |
| 6 |
0C63 (hex) |
Запуск RECALL |
Операция RECALL выполняется за два шага. Сначала очищается ОЗУ, а затем происходит перенос информации из энергонезависимой памяти в ячейки оперативной памяти за время tRECALL, после чего можно снова читать и писать. Учитывая, что при восстановлении данные в энергонезависимой памяти не изменяются, то их можно восстанавливать неограниченное число раз (как вариант ПЗУ со 100-летним сроком хранения).
Режим автосохранения данных AutoStore
В режиме нормального автосохранения данных происходит заряд конденсатора, подсоединенного к выводу VCAP, который используется для выполнения однократной записи данных в энергонезависимую память. Если напряжение на VCAP станет ниже VSWITCH, то схема управления автоматически отключит вывод VCAP от питания VCCX и запустит режим сохранения данных (рис.7). На рис. 8 показана схема подключения конденсаторов для автоматического сохранения данных, емкость накопительного конденсатора должна быть в пределах 68-220 мкФ.
 Рис. 7. Временная диаграмма режима автосохрания данных Autostore
 Рис. 8. Схема подключения накопительного конденсатора в режиме автосохрания данных Autostore
Чтобы избежать нежелательных записей в энергонезависимую память, вывод HSB устанавливается в низкий уровень (подключается к VCAP через внешний резистор), при этом будет игнорироваться команда записи WRITE. Это, кстати, является для системы сигналом, что работает AutoStore. Наличие или отсутствие команды записи на программное сохранение данных никак не влияет.
В случае, если напряжение питания падает быстрее, чем 20 В/мкс, то между выводом VCCX и источником питания необходимо установить резистор 1 Ом для устранения броска тока между VCCX и VCAP.
Аппаратная запись в энергонезависимую память
Для аппаратной записи данных в энергонезависимую память используется вывод HSB (рис.9). Помимо этого, этот вывод работает как индикатор активного режима сохранения данных (независимо от вида этого режима).
Если при включении нескольких STK14C88-3 применяется один конденсатор большой емкости, то вывод HSB используется для их синхронизации.
 Рис. 9. Временная диаграмма аппаратной записи в эенргонезависимую память
Выводы
Память NvSRAM «едина в трех лицах»: заменяет память со встроенным питанием, flash и EEPROM.
Использование nvSRAM вместо памяти со встроенным питанием позволяет:
- избавиться от контактных сбоев; потери данных при коротком замыкании или электрических помехах;
- головной боли, связанной с установкой (не нужны специальные контакты) ИС и контролем питания;
- быстрее читать/записывать данные;
- устанавливать микросхему прямо на плату;
- иметь память, не только совместимую по выводам со стандартной batRAM, но и в корпусе miniDIP и SMD.
При замене Flash-памяти:
легкое и быстрое сохранение данных;
побайтная запись и чтение;
отсутствие проблем плавающего затвора;
однополярное питание;
все программы и данные сохраняются за один цикл STORE пльзователем или автоматически при сбое питания;
память пограмм, память данных и статическое ЗУПВ в одном корпусе.
В сравнении с EEPROM:
- не имеет ограничений на число циклов записи;
- обладает симметричным циклом чтение/запись 20 нс;
- может сохранить всю матрицу данных при сбое питания с использованием нулевого системного времени;
- нет проблем плавающего затвора;
- 100% контроль при сохранении данных (недоступно при технологии плавающего затвора).
Автор надеется, что полученная информация поможет в выборе памяти для каждого конкретного случая. Более подробные данные можно найти на сайте www.simtek.com
Ракович Н.Н.
|