|
rfPIC - микроконтроллер
с интегрированным радиопередатчиком
Маломощному радиоканалу в быту и на производстве можно найти широкое применение: в системах сбора информации, дистанционного управления, игрушках, устройствах ограничения доступа и в других приложениях. Но при разработке дешевых радио устройств возникает ряд сложностей, связанных с созданием эффективного и стабильного передатчика. Для стабилизации частоты необходимо применение резонаторов на поверхностных акустических волнах (ПАВ), эффективность передатчика очень сильно зависит от топологии и требует качественных дискретных компонентов, что усложняет получение готового изделия. Альтернативой маломощному передатчику на дискретных элементах может быть новый микроконтроллер Microchip rfPIC12C509 с интегрированным радиопередатчиком на 310–480 МГц, что позволяет упростить проектирование узлов радиосети и снизить общую стоимость системы. К тому же контроллер дает разработчику широкие возможности в выборе протокола передачи данных, позволяя получить оригинальную секретность и контроль целостности кода. Передаваемые данные могут представлять собой не только состояния кнопок, но и информацию от разнообразных датчиков, состояние элемента питания, периодические сигналы контроля работоспособности передатчика.

Выходная мощность передатчика регулируется пошагово от –12 до +2 дБм. Частота стабилизируется встроенной петлей АПЧ от внешнего кварца. Частота кварца должна быть в 32 раза ниже частоты радиоканала. Кварцевая стабилизация позволяет использовать узкополосный приемник для получения
наибольшей дальности. RfPIC позволяет строить АМ-передатчики со скоростью передачи до 40 кБод или ЧМ до 20 кБод.
Основные характеристики rfPIC12C509AG и rfPIC12C509AF:
- 41 байт ОЗУ; 1024 слов памяти программ.
- 33 RISC-инструкции, выполняемые за 1 мкс.
- 8-разрядный таймер-счетчик с 8-разрядным предделителем; сторожевой таймер WDT.
- 6 портов ввода-вывода по ±25 мА.
- Интегрированный RC тактовый генератор 4 МГц; независимый от частоты передатчика.
- Питание 2,5–5,5 В. Интегрированная схема сброса.
- Потребление: от 15 мкА на 32 кГц, до 12 мА в момент передачи.
- Температурный диапазон: –40...+85 °С.
Память программ выполнена по технологии OTP, единственно надежной в условиях ВЧ-наводок. Усиленная защита кода от чтения ориентирована на системы безопасности. Внутрисхемное программирование дает гибкость при производстве, позволяя записать идентификационную и калибровочную информацию после монтажа на плату.

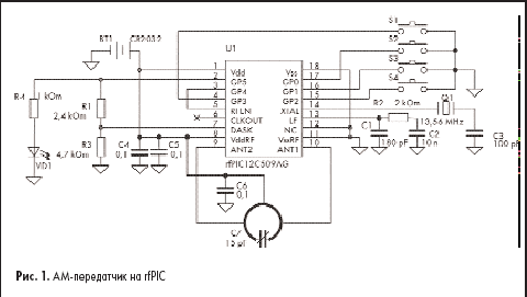
На рис. 1 приведена полная схема АМ-передатчика на частоту 433,92 МГц. Питание осуществляется от миниатюрной 3 вольтовой литиевой батареи. Имея автономное питание, устройства легко встраиваются в любую аппаратуру и не требуют выключателя питания. Резистором R1 при необходимости можно корректировать мощность передатчика.
При использовании сверхрегенеративного радиоприемника RR10-433 фирмы Telecontrolli с антенной из простого отрезка провода 18 см длиной, дальность действия этого передатчика составит около 100 метров в пределах прямой видимости. В реальном эксперименте с тем же передатчиком более дорогой супергетеродин Linx RXM-433 устойчиво работал на расстоянии до 30 м и потреблял в 5 раз больший ток (7,5 мА против 1,5 мА у RR10).
Благодаря технологии лазерной настройки приемник RR10 обладает узкой для модулей такого класса полосой и хорошей чувствительностью (–100 дБм), при этом он остается вне конкуренции по цене. Модули радиоприемников имеют унифицированную цоколевку, что позволяет подобрать конкретный тип радиоприемника, наиболее подходящий по параметрам. Широкая гамма радиоприемников: супергетеродинные и сверхрегенеративные модули на 3 и 5 вольт, с потреблением от 300 мкА, временем готовности к приему после подачи питания от 150 мс позволяет создавать устройства с отключаемым автономным питанием: пейджеры, ретрансляторы. Внешний вид приемника RR10 приведен на рис. 2.

Схема применения радиоприемника приведена на рис. 3.

Заменив в этой схеме любой светодиод на усилительный каскад с реле (рис. 4), получим готовое устройство, которое можно применять для управления воротами, светом и другими бытовыми приборами.

Более подробное описание, расчет антенны, примеры программ и настройку передатчика можно найти на сайте Microchip: http://www.microchip.com/download/appnote/rfpic. Описание и программа для приемного модуля: http://www.microchip.com/download/appnote/keeloq/00740.zip. Корректируя готовые программы передающего и приемного модулей, можно быстро получать необходимые функции — легко реализуется функция оповещения хозяина или охранника о каких-либо нештатных ситуациях: срабатывания охраны, нарушении технологического процесса, вызова больным врача и т. д.
Сергей Никифоров, Дмитрий Яблоков
|