Рубликатор

 



























Все о псориазе



Дмитрий Садченков

Технологии BlueTooth

Недавно было представлено новое поколение беспроводных сетей на основе технологии Bluetooth. Эта технология разработана консорциумом ведущих компаний, работающих в области мобильной телефонии, производства портативных ПК и микросхем, таких как Ericsson, Nokia, Toshiba, Intel, IBM и др. Bluetooth отличается от других технологий такими свойствами, как:

  • применение маломощных передатчиков;
  • малые размеры системы, позволяющие устанавливать ее в различные оконечные и периферийные устройства (мобильные и бесшнуровые телефоны, ноутбуки, устройства ввода/вывода ПК, хабы локальных сетей и многие другие);
  • низкая стоимость, благодаря чему прогнозируется широкое внедрение новой технологии.

Свое название технология получила от прозвища короля Дании Гаральда II Гормссона, правившего в Х веке и знаменитого тем, что он сумел объединить племена Дании и Норвегии в единое королевство и обратил своих подданных в христианство. Такое название присвоено технологии Bluetooth неспроста.

С помощью нее в единую систему можно объединить самые разные устройства на основе высокоскоростной сети обмена данными — как цифровой информации, так и речи. Причем, что важно, это происходит без вмешательства со стороны пользователя и открывает ему широкие коммуникационные возможности, позволяющие в любом месте подключиться к сети сотовой связи, подсоединить свой ноутбук к периферийным устройствам ввода/вывода, обеспечить голосовую связь или передачу данных на небольшие расстояния.

В основе технологии Bluetooth лежит принцип радиосвязи при быстром скачкообразном изменении частоты (Fast Frequency Hopping) — 1600 переприемов каналов/с в диапазоне частот 2,402–2,480ГГц. Емкость этой полосы частот — 79 каналов с шириной полосы пропускания канала 1 МГц. Максимальная скорость обмена данными может достигать 1 Мбит/с. Особенностью диапазона 2,4 ГГц является то, что в странах Европы, в Японии и США на основании решений IEEE 802.11 он определен как технический диапазон. Работа излучающих устройств в нем не требует лицензии. В этом диапазоне работают микроволновые печи, беспроводные сети (LAN), другие коммерческие системы передачи данных. Поэтому естественно возникает вопрос: надежно ли будут работать системы Bluetooth, подверженные влиянию помех от других устройств? На этот вопрос ведущий специалист компании Ericsson Торбьор Гарднер ответил так: «Конечно, все излучающие устройства будут мешать друг другу, но победит устройство с более высоким уровнем сигнала».

При попадании устройства, оснащенного системой Bluetooth в зону действия другого такого же устройства, которая представляет собой круг радиусом от 10 до 100 м, между ними автоматически происходит обмен адресными и другими данными и устанавливается соединение с высоким уровнем защищенности и коррекцией ошибок.

Bluetooth использует радиосоединение, обеспечиваемое микрочипом размером всего 9х9 мм. Его базовый протокол является комбинацией схемной и пакетной коммутации и обеспечивает передачу как голоса, так и данных. Каждый голосовой канал поддерживает синхронное соединение 64 Кбит/с, а асинхронный канал может поддерживать асимметричное соединение со скоростями в прямом и обратном направлении соответственно 721 Кбит/с и 57,6 Кбит/с. При использовании дополнительного усилителя мощности в тракте передачи дальность связи может составлять более 100 м. Универсальность и высокие технические характеристики при доступности — стоимость точки доступа составляет около $5 — делают новую технологию перспективной.

В настоящее время на рынке появились первые устройства на ее основе, а ведущие фирмы ведут интенсивные работы по ее совершенствованию. Так, фирма Ericsson выпустила модуль Bluetooth ROK 101 007, с которым мы и познакомимся поближе.

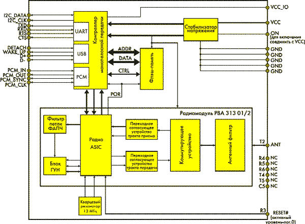
Модуль ROK 101 007 представляет собой конечное устройство, которое предназначено для реализации доступа посредством технологии Bluetooth и может быть встроено в любое электронное устройство. Модуль состоит из трех основных частей: контроллера монополосной передачи (baseband controller), флэш-памяти и радиотракта, обеспечивающего связь в диапазоне 2,4–2,5 ГГц. Модуль поддерживает как передачу данных, так и передачу речи. Связь между модулем и хост-контроллером поддерживается посредством высокоскоростного интерфейса USB или интерфейса UART/PCM. При подключении через USB-порт модуль опознается как slave-устройство и не требует использования дополнительных ресурсов компьютера.

Рис. 1

Модуль ROK 101 007 отвечает спецификации Bluetooth v.1.0B и является устройством класса 2 с выходной мощностью радиопередающего устройства 0 дБм. Модуль отличается малыми габаритами — его геометрические размеры составляют 32,8 х 16,8 х 2,75 мм. На рис. 1 представлена структурная схема модуля.

Рис. 2

Каковы характерные особенности модуля? ГУН-генератор, управляемый напряжением, является частью системы ФАПЧ. В нем же осуществляется модуляция. Фильтр петли ФАПЧ обеспечивает фильтрацию управляющего напряжения ГУН. Контроллер монополосного сигнала выполнен на основе чипа ARM7TDMI. Помимо связи посредством одного из интерфейсов USB или UART он также обеспечивает связь посредством интерфейса для передачи речи PCM и интерфейса I2C. Флэш-память используется совместно с контроллером. Блок стабилизаторов формирует из напряжения питания VCC, равного 3,3 В, два напряжения: 2,8 В и 2,2 В. Генератор системы синхронизации стабилизирован кварцевым резонатором на частоту 13 МГц, что обеспечивает погрешность частоты не хуже ±0,002 %. Узел контроллера связан с радиомодулем посредством интерфейса управления основным устройством или хостом — HCI (Host Control Interface). При этом обеспечивается передача пакетов трех типов:

  • пакетов команд от хоста к модулю Blue-tooth;
  • пакетов сообщений от модуля Bluetooth к хосту;
  • пакетов данных — в обоих направлениях.

Организация соединения не требует использования всего набора команд и сообщений — используются только необходимые.

Интерфейс UART обеспечивает скорость обмена данными от 300 до 460 800 бит/с. Сигналы TxD и RxD интерфейса представляют собой поток данных, а сигналы RTS и CTS управляют потоками данных.

Речевой интерфейс PCM имеет частоту дискретизации 8 кГц (PCM_SYNC). Частота синхронизации сигнала PCM может изменяться в пределах от 200 кГц до 2,0 МГц. Данные PCM могут быть линейными (13–16 бит), m-типа (8 бит) или А-типа (8 бит).

Интерфейс USB обеспечивает скорость обмена данными 12 Мбит/с. Обмен ведется через двунаправленные порты D+ и D-.

Для управления компьютером типа ноутбук используются дополнительные сигналы Wake_up и Detach.

Основные электрические характеристики модуля приведены в таблице.

Таблица

Характеристики Обозначение Типовое значение Допустимые пределы
Напряжение питания, В Vcc 3,3 3,175...5,25
Напряжение питания портов ввода/вывода, В ROK 101 007 3,3 2,7...3,6
Уровень лг. 1 на входе, В VIH1 - 0,7VCC_IO...VCC_IO
Уровень лог. 0 на входе, В VIL1 - 0...0,3VCC_IO
Уровень лог. 1 на выходе, В VOH - 2,0...VCC
Уровень лог. 0 на выходе, В VOL - 0...0,4
Рабочий диапазон частот, ГГц - - 2,402...2,480
Ширина полосы пропускания тракта ПЧ, МГц - 1 -
Сопротивление антенной нагрузки, Ом - 50 -
КСВ, не хуже VSWR 3,0 -
Чувствительность приемного устройства, дБм PIN -70 Макс.-20
Девиация частоты, кГц fMod - 140...175
Выходная мощность передающего устройства, дБм - 1,5 -2,0...4
Частота синхронизации системы, МГц fSYS-CLK 130,000 -
Время переключения каналов, мкс - 150 -
Диапазон рабочих температур, °С 23 -30...+85

Внутри модуля последовательно с выв. VCC_IO включен гасящий резистор сопротивлением 100 кОм. С целью соответствия спецификации USB напряжение VCC_IO должно быть не менее 3,11 В.

На рис. 2 изображены типовые приложения модуля при использовании интерфейса USB (рис. 2 а) и UART/PCM (рис. 2 б).

Разработка приложений на основе модуля ROK 101 007 проста, однако требует знания системных и профильных спецификаций Bluetooth v1.0B.

На рис. 3 в качестве примера изображена схема, обеспечивающая передачу данных с использованием модуля ROK 101 007.

Рис. 3

Для разработки устройств на основе модуля ROK 101 007 с успехом может быть применен специальный набор разработчика от фирмы Ericsson — Ericsson Bluetooth Development Kit (EBDK). Он работает по принципу plug&play и поставляется в комплекте с необходимым программным обеспечением и вспомогательными принадлежностями. При необходимости отладки конфигурации point-to-multipoint целесообразно использовать еще один набор — Ericsson Bluetooth Starter Kit (EBSK).

pierce_arrow@mtu-net.ru


Статьи по: ARM PIC AVR MSP430, DSP, RF компоненты, Преобразование и коммутация речевых сигналов, Аналоговая техника, ADC, DAC, PLD, FPGA, MOSFET, IGBT, Дискретные полупрoводниковые приборы. Sensor, Проектирование и технология, LCD, LCM, LED. Оптоэлектроника и ВОЛС, Дистрибуция электронных компонентов, Оборудование и измерительная техника, Пассивные элементы и коммутационные устройства, Системы идентификации и защиты информации, Корпуса, Печатные платы

Design by GAW.RU